資料下載:
WTN-6012.pdf
產品特性:
? 電阻應變為敏感元件和集成電路構成的一體產品,
精度高,性能穩定
? 體積外形小,適用于狹小、緊湊空間
? 靜態扭矩測量,0-30-150N.m可選
? 可測量正反兩個方向的扭力
? 兩端為鍵槽鏈接,安裝方便
? 采用德國技術和生產設備,完美替代進口
產品規格參數:

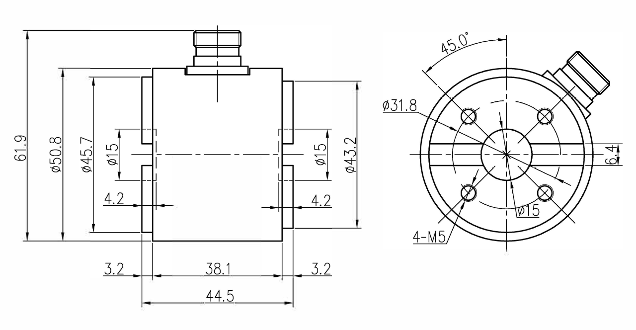
產品尺寸圖:(單位:mm)









資料下載:
WTN-6012.pdf
產品特性:
? 電阻應變為敏感元件和集成電路構成的一體產品,
精度高,性能穩定
? 體積外形小,適用于狹小、緊湊空間
? 靜態扭矩測量,0-30-150N.m可選
? 可測量正反兩個方向的扭力
? 兩端為鍵槽鏈接,安裝方便
? 采用德國技術和生產設備,完美替代進口
產品規格參數:

產品尺寸圖:(單位:mm)

管理員
該內容暫無評論