雙量程靜態扭矩傳感器又叫大小量程扭矩傳感器,可同時測量大小雙量程靜態扭力
資料下載:
WTN-6050雙量程.pdf
產品特性:
? 電阻應變為敏感元件和集成電路構成的一體產品,
精度高,性能穩定
? 測量范圍:0-20-4000N.m可選
? 可測量正反兩個方向的扭力
? 一端為鍵法蘭鏈接,一端為法蘭鏈接
? 適用于大小雙量程靜態扭矩的測量
? 采用德國技術和生產設備,完美替代進口
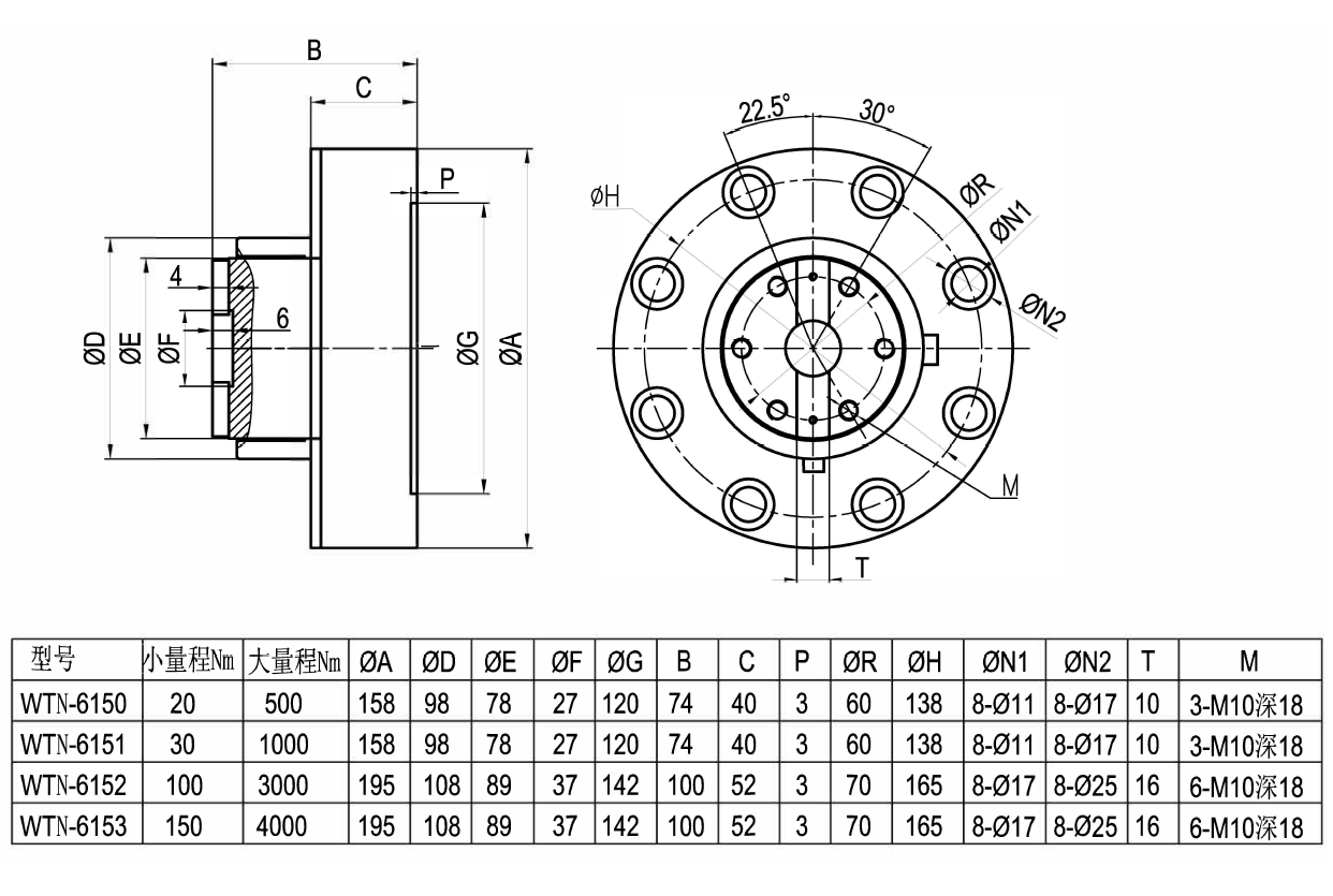
產品規格參數:

產品安裝尺寸圖:(單位:mm)





雙量程靜態扭矩傳感器又叫大小量程扭矩傳感器,可同時測量大小雙量程靜態扭力
資料下載:
WTN-6050雙量程.pdf
產品特性:
? 電阻應變為敏感元件和集成電路構成的一體產品,
精度高,性能穩定
? 測量范圍:0-20-4000N.m可選
? 可測量正反兩個方向的扭力
? 一端為鍵法蘭鏈接,一端為法蘭鏈接
? 適用于大小雙量程靜態扭矩的測量
? 采用德國技術和生產設備,完美替代進口
產品規格參數:

產品安裝尺寸圖:(單位:mm)

管理員
該內容暫無評論