資料下載:
WTN-5000B.pdf
產品特性:
? 電阻應變為敏感元件和集成電路構成的一體產品,
精度高,性能穩定
? 中低量程測量,0-200-2000N.m可選
? 可測量正反兩個方向的扭力
? 兩端為軸鍵鏈接,安裝使用方便
? 最高轉速300轉/分鐘,維護周期1000萬轉
? 一款性價比較高,適用于低轉速動態扭矩檢測
產品規格參數:

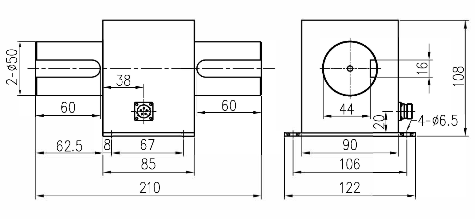
產品尺寸圖:(單位:mm)





資料下載:
WTN-5000B.pdf
產品特性:
? 電阻應變為敏感元件和集成電路構成的一體產品,
精度高,性能穩定
? 中低量程測量,0-200-2000N.m可選
? 可測量正反兩個方向的扭力
? 兩端為軸鍵鏈接,安裝使用方便
? 最高轉速300轉/分鐘,維護周期1000萬轉
? 一款性價比較高,適用于低轉速動態扭矩檢測
產品規格參數:

產品尺寸圖:(單位:mm)

管理員
該內容暫無評論