產品特性:
v 電阻應變為敏感元件和集成電路構成的一體產品
v 測量范圍:50N-500KN可選
v 量程關系:X=Y=Z或者1.5/2 X=1.5/2 Y=Z
v 精度高,性能穩定
v 適用于三分力測量
v 采用德國技術和生產設備,品質保證
v 不同量程選用不銹鋼/鋁合金/合金鋼不同材質
v 防護等級高達:IP65
技術參數:

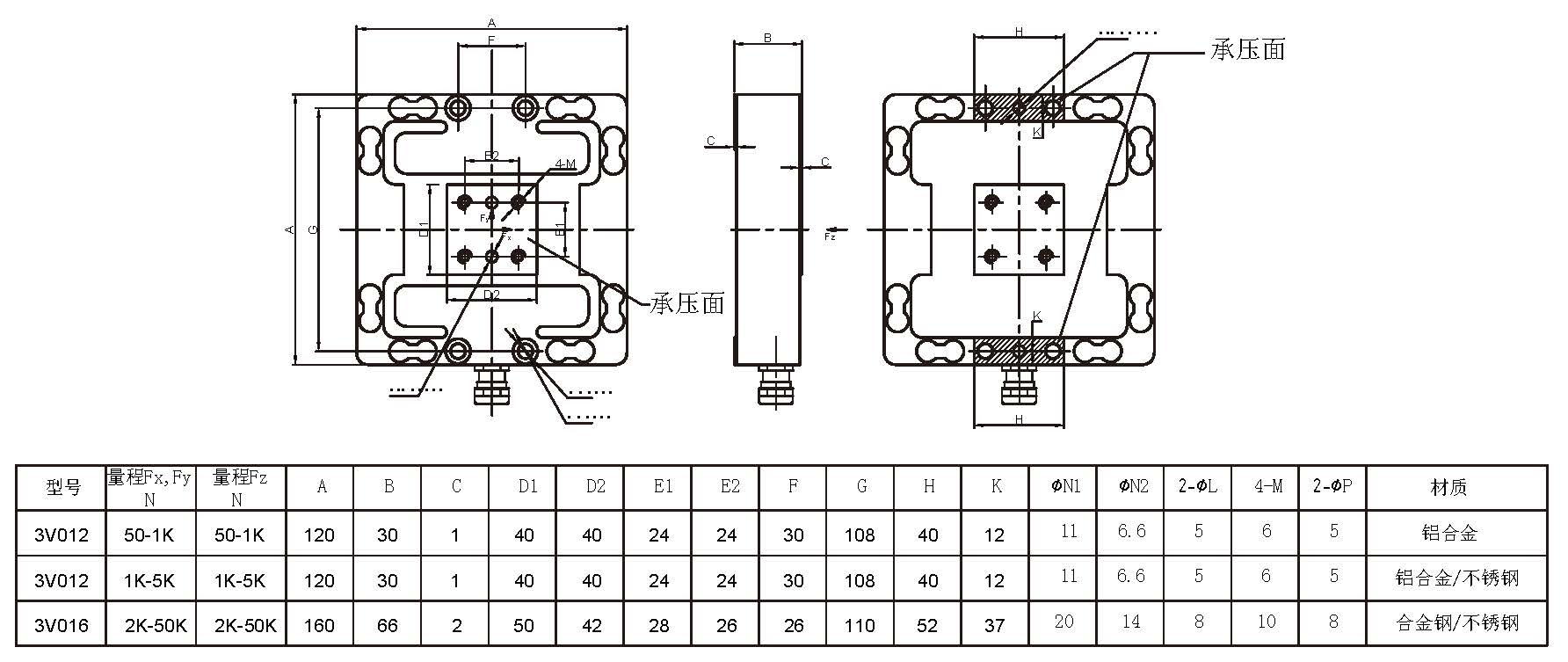
外形尺寸:(mm)










產品特性:
v 電阻應變為敏感元件和集成電路構成的一體產品
v 測量范圍:50N-500KN可選
v 量程關系:X=Y=Z或者1.5/2 X=1.5/2 Y=Z
v 精度高,性能穩定
v 適用于三分力測量
v 采用德國技術和生產設備,品質保證
v 不同量程選用不銹鋼/鋁合金/合金鋼不同材質
v 防護等級高達:IP65
技術參數:

外形尺寸:(mm)


管理員
該內容暫無評論