WTN-5069 高精度動態扭矩傳感器
資料下載:WTN-5069.pdf
產品特點:
● 非接觸式
● 量程 5-5000Nm
● 輸出 10±5KHz, 4-20mA, ±5VDC,±10VDC, RS485/232
● 不銹鋼軸
● 最高轉速15000RPM
● 可帶轉速輸出
●可帶OLED面板顯示扭矩/轉速/功率
技術參數:
量程:5-5000Nm 扭矩輸出:10±5KHZ, 4-20mA,0±5/10VDC,0-5/10VDC, RS485
量程溫度影響-%RO/℃:±0.02 補償溫度范圍 -℃: -10 ~+60
工作溫度- ℃: -20~80℃ 精度-%FS: ±0.1,0.2
電氣連接:6-pin 或8-pin 供電:12-30VDC
零點溫度影響-%RO/℃: ±0.02 量程溫度影響-%RO/℃:±0.02
安全過載- %RO:200 軸材樸:不銹鋼
外殼材樸:鋁
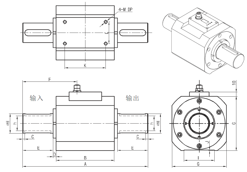
產品尺寸:(mm)



















管理員
該內容暫無評論