WTN-5580 圓盤式動態(tài)扭矩傳感器-無軸承
特性與應用:
· 量程:50-10KNm
· 短的安裝長度
· 集成化雙撓性盤耦合聯(lián)軸器
· 無軸承,消除軸承磨擦影響
· 非接觸式
· 高轉速 30K RPM
· 安裝角度小
技術參數:
量程:0-5000Nm
精度:±0.1,±0.2%FS
重復性:±0.02%
零點溫度影響:±0.02%FS
滿度溫度影響:±0.02%FS
補償溫度范圍:-10~60oC
工作溫度范圍:-20~75oC
輸出:10±5kHz ,4-20mA, ±5VDC,±10VDC,RS485, RS232,CAN,
供電電壓:12-24VDC
供電電流:小于100mA
電氣連接:8-Pin
過載保護:200%FS
材質:傳感器17-4PH不銹鋼,外殼為鋁
選配選項:
轉速測量:轉速:30KRPM,60脈沖,
4-20mA,5V/ TTL , ±5VDC,
±10VDC,RS485,RS232, CAN
安裝:軸向差值±0.2mm,角度誤差0.4°
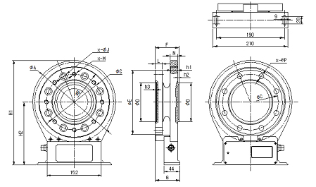
外形尺寸:(單位:MM)















管理員
該內容暫無評論